automatické rozsvícení světel

Karoserie, světla, lak ...
Moderátor:ZaQik
Odpovědět
boj3
Nováček
Nováček
Příspěvky: 2
Registrován: 09.06.2009 21:06

Re: automatické rozsicení světel

Příspěvek od boj3 » 09.06.2009 21:53

Omlouvám se axet-ovi, koukám, že to tam má napsaný. sry...

Uživatelský avatar
pkadecka
Test driver
Test driver
Příspěvky: 4764
Registrován: 18.08.2009 12:39
Bydliště: Kostelec nad Labem

Re: automatické rozsicení světel

Příspěvek od pkadecka » 23.08.2009 22:58

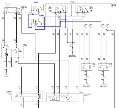
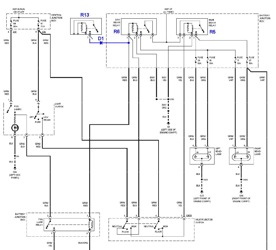
Tady je můj návod na automatické rozsvěcení světel, výhoda je v tom, že svítí jen když běží motor. Je potřeba jen pár úprav v pojistkové skříňce u motoru. Přiložené obrázky jsou upravená schémata pro focus před faceliftem, tj. s žárovkami H4, ale zapojení funguje i pro focus po faceliftu (jako je můj).

Moje auto nemá vůbec žádnou přípravu kolem relé R12 (relé pro denní svícení), do patice nevedou dráty a nejsou tam ani kontakty pro relé, tak jsem to musel vyřešit jinak. Když jsem to měl hotový, tak jsem zjistil, že by to šlo i jednodušejc.

Relé R13 sepne, když běží motor, tak jsem z jeho pinu č. 5 připojil drát přes diodu na cívku dalšího relé - na obrázku jsem ho označil R100. Je to běžné autorelé, piny mají vlastně jiné číslování, ale to je jedno. Druhý pól cívky jsem připojil na pin 5 relé pro dálková světla R5 - u focusu před faceliftem to zajistí přepínání mezi dálkovými a potkávacími světly, tj. aby nesvítily obě vlákna žárovky H4. Pokud máte auto po faceliftu (kde při rozsvícených dálkových svítí obě žárovky, tj. potkávací H7 i dálková H1), připojte druhý pól místo na R5 rovnou na GND, tj. např. na pin 2 relé R6 (naznačeno červeným kroužkem). Pak vlastně můžete vynechat i diodu D1 (tj. zapojit jen drát, ne abyste vynechali celý spoj).

Piny 3 a 5, tj. kontakt relé R100 jsem zapojil paralelně k odpovídajícím pinům R6, což je relé pro potkávací světla.

Pokud je ve focusu namontované denní svícení už z výroby, je v autě i odpor přes který ty žárovky svítěj, já ale nevím jeho hodnotu, hodil by se tam tak 0,5 až 1 ohm. Žárovky by pak měly vydržet dýl (já už jsem měnil v autě tři, nejdřív shořely obě H7 skoro současně, asi tak měsíc potom, co jsem auto koupil a asi za dva měsíce pak praskla zas jedna, noname z OBI). Odpor by se přidal mezi R6 a R100, buď mezi 5-ky nebo mezi 3-ky.

Pak mě napadlo ještě jednodušší řešení a to dioda mezi pin 5 relé R13 a pin 1 relé R6. To jsem sice nezkoušel, ale ať na to koukám, jak chci, připadá mi, že to musí fungovat taky. Jen si tam pak nemůžete dát ten odpor pro šetření žárovek.

Jo a ještě k vlastní realizaci - já jsem to udělal tak, že jsem vytahal příslušná relé a doma jsem na ně připájel potřebné dráty (a diodu). Přitom jsem myslel na to, aby ty dráty moc nevadily v patici a relé tam šla zas nastrkat zpátky. Můžete to samozřejmě udělat i na straně pojistkové skříňky, ale nepřišel jsem na to, jak se jednoduše dostat k drátům, tj. vytahat ty patice pro relé.
Přílohy
denni sviceni 2.JPG
denni sviceni 1.JPG
Pavel Kadečka
Mazda 6, 2.0i, 2004
Citroën Xsara, 1.4i, 2004
Ford Focus Turnier, 1.6i, 2002

boss22
Příspěvky: 1
Registrován: 21.07.2009 18:23

Re: automatické rozsicení světel

Příspěvek od boss22 » 09.09.2009 13:28

pkadecka-ten navod je perfektny,vyskušal som ten najjednoduchši a funguje perfektne.

FF-Trend combi 1.8 Tddi 66kw r.v 2004

Uživatelský avatar
pkadecka
Test driver
Test driver
Příspěvky: 4764
Registrován: 18.08.2009 12:39
Bydliště: Kostelec nad Labem

Re: automatické rozsvícení světel

Příspěvek od pkadecka » 17.12.2009 10:46

Ještě takové offtopic doplnění - to automatické rozsvěcení nenahrazuje funkci vypínače světel, ani ji nijak neomezuje, můžete dál rozsvěcet ručně, jak jste zvyklí. Já to tak dělám. Jde o to, že když na to zapomenu a zrovna budou mít policajti naléhavou potřebu mi pomoct a ochránit mě, tak by mi taky mohli dát na památku našeho setkání pokutovej bloček. Nebo by mě moh nějakej řidič zrovna kvůli těm světlům přehlídnout a nabourat, ale to by byla sakra smůla.

Jeden známej mi k tomu napsal "já nikdy nezapomenu rozsvítit a nechtěl bych to, protože mi pak nesvítí palubka". No já teda někdy zapomenu a když potřebuju, aby svítila palubka, tak si přece rozsvítím ručně.

Takže investice do jedný diody za 5 korun a půl hodiny práce se myslím vyplatí.
Pavel Kadečka
Mazda 6, 2.0i, 2004
Citroën Xsara, 1.4i, 2004
Ford Focus Turnier, 1.6i, 2002

BRABUS.II
Nováček
Nováček
Příspěvky: 10
Registrován: 03.01.2009 18:01
Bydliště: Šternberk

automatické rozsvícení světel

Příspěvek od BRABUS.II » 06.01.2010 21:22

ahoj,
mám na FF nastavené automatické rozsvícení světel.Dám klíč do zapalování do polohy I a rozsvítí se mi světla,ale na otáčecím cuplíku nemám polohu(auto) ale 0,prostě je mám pořád vypnuté.A vždy po vypnutí motoru a otočení klíčku do polohy 0. se mi světla vypnou.Jak mužu používat jen manuální rozsvícení? Dík za odpověď :wink:
Ford Focus kombi II. 1,6 benzin r.v.10/2007 stř.metal
dříve Fo Fo kombi 1,8 tddi r.v.1999

zirafak
Test driver
Test driver
Příspěvky: 8970
Registrován: 02.02.2008 03:18

Re: automatické rozsvícení světel

Příspěvek od zirafak » 07.01.2010 06:46

Zvlastne,ze sa kazdy z nas snazi o to,aby sa nemusel o svetla starat a rozsvecovali sa automaticky a najde sa aj taky,ktoremu to vadi. :wink: Jasne,100 ludi,100 chuti :lol:
Myslim,ze by malo stacit vytiahnut poistku k dennemu svieteniu,alebo rele denneho svietenia.Zalezi,akym systemom to mas spojazdnene.Niekto na fore to tusim u 2-hej generacie takto deaktivoval.

Uživatelský avatar
pkadecka
Test driver
Test driver
Příspěvky: 4764
Registrován: 18.08.2009 12:39
Bydliště: Kostelec nad Labem

Re: automatické rozsvícení světel

Příspěvek od pkadecka » 07.01.2010 13:04

Brabus: záleží na tom, jak je to v autě udělaný, předpokládám, že nejseš první majitel, pak záleží na tom, jak to udělal ten člověk před tebou. Může bejt nějakej drát od spínací skříňky k vypínači nebo nějakej bastl kolem pojistek a relátek.
Pavel Kadečka
Mazda 6, 2.0i, 2004
Citroën Xsara, 1.4i, 2004
Ford Focus Turnier, 1.6i, 2002

BRABUS.II
Nováček
Nováček
Příspěvky: 10
Registrován: 03.01.2009 18:01
Bydliště: Šternberk

Re: automatické rozsvícení světel

Příspěvek od BRABUS.II » 10.01.2010 21:38

Já to nechci vypnout,ale někdy je to potřeba tak jsem chtěl být o něco chytřejsí.No,moc nejsem :? :) přesto dík...
Ford Focus kombi II. 1,6 benzin r.v.10/2007 stř.metal
dříve Fo Fo kombi 1,8 tddi r.v.1999

Uživatelský avatar
axet
Nováček
Nováček
Příspěvky: 49
Registrován: 02.02.2008 03:18
Bydliště: Cana - Slovensko
Kontaktovat uživatele:

Re: automatické rozsvícení světel

Příspěvek od axet » 05.03.2010 08:43

Otazka ?
Pri dennom svietení musia svieti aj zadne svetlá alebo stačia iba predné ???
(SLOVENSKO)
(som zvedavy na odpovede)
Dakujem

PS: posielajte SZ aby sa to tu neopakovalo..Ď
Naposledy upravil(a) axet dne 05.03.2010 08:52, celkem upraveno 1 x.

zirafak
Test driver
Test driver
Příspěvky: 8970
Registrován: 02.02.2008 03:18

Re: automatické rozsvícení světel

Příspěvek od zirafak » 05.03.2010 08:45

Aby tu tato tema nerozprudila opät flame,skus si precitat tieto vlakna a usodok si sprav sam.
http://www.ford-focus.cz/forum/viewtopi ... =65&t=7153
http://www.ford-focus.cz/forum/viewtopi ... =10&t=1198

Uživatelský avatar
bororo
Nováček
Nováček
Příspěvky: 185
Registrován: 02.02.2008 03:18
Bydliště: Martin

Re: automatické rozsvícení světel

Příspěvek od bororo » 13.04.2010 21:15

mam nainstalovane automatiske svietenie ARS-SMART. az dovcera islo secko o.k kym sa mi nepodaril vypnut motor ani bez vytiahnuteho kluca zo zapalovania. fofo isiel do servisu a vraj v ARS-SMART zhorela nejaka dioda-vraj je to tam poddimenzovane. :roll:
Je: Ford Focus kombi, 1,5 EcoBoost, ST Line
bol:Ford Mondeo HB, 2.0 Duratec,´07
fotogaleria: viewtopic.php?f=173&p=548637
bol:FF 1,6 16V Combi ´99

Uživatelský avatar
pkadecka
Test driver
Test driver
Příspěvky: 4764
Registrován: 18.08.2009 12:39
Bydliště: Kostelec nad Labem

Re: automatické rozsvícení světel

Příspěvek od pkadecka » 14.04.2010 08:13

Zřejmě je to pověšený na relé palivovýho čerpadla (což bude právě to R13 jestli se nemýlím), kdyby v tom mým jednodušším zapojení shořela dioda (do zkratu) a světla by byly zapnutý ručně, tak by taky nešel zhasnout motor, dokud bys nezhasnul světla.
Pavel Kadečka
Mazda 6, 2.0i, 2004
Citroën Xsara, 1.4i, 2004
Ford Focus Turnier, 1.6i, 2002

Uživatelský avatar
moabster
Nováček
Nováček
Příspěvky: 183
Registrován: 08.07.2008 10:48
Bydliště: Trnava, SK

Re: automatické rozsvícení světel

Příspěvek od moabster » 14.04.2010 10:20

Ford Focus combi 2 Ghia, diamtova biela, 1,6TDCi 80kW 10/2005 Obrázek

lubs
Nováček
Nováček
Příspěvky: 20
Registrován: 23.02.2008 12:45

Re: automatické rozsvícení světel

Příspěvek od lubs » 24.12.2010 15:31

K poslednímu návodu od pkadecka - zkoušel jsem jednoduchou verzi (propojení jednou diodou). Nemám vůbec relé R13, tak jsem ho nahradil R8 (relé řízení motoru). Světla se mi ale rozsvítí ihned po otočení klíčku do polohy II a ne až po nastartování motoru. Takže obzvlášť teď v zimě je tento způsob téměř k ničemu. Nebo jsem možná něco udělal špatně, nebo to na mém FF nebude fungovat?? Nebo nezná někdo jiný jednoduchý způsob jak rozsvěcovat automaticky až po startu?
Díky za pomoc
Ford Focus II FL Combi, 2.0 107kW LPG, 2008

Standa.64
Zkušený
Zkušený
Příspěvky: 1352
Registrován: 09.12.2010 17:34
Bydliště: Jablonec nad Nisou

Re: automatické rozsvícení světel

Příspěvek od Standa.64 » 24.12.2010 16:22

Možná to přesně neodpovídá představám diskutujících na tohle téma,možná to třeba někoho zaujme.Vyrábí se i varianty s triplinkem a se světelným senzorem. http://www.cybertronic-labs.cz/product/detail?id=14
Kuga ST-Line X 2.5 Duratec Hybrid AWD Solar

Odpovědět

Zpět na „Karoserie“

Kdo je online

Uživatelé prohlížející si toto fórum: Žádní registrovaní uživatelé a 1 host