Automaticke svietenie-fukcia Coming Home/Leaving home
- phofy
- Moderátor

- Příspěvky: 9532
- Registrován: 23.07.2011 11:32
- Bydliště: Liberec
- Kontaktovat uživatele:
Re: Automaticke svietenie-fukcia Coming Home/Leaving home
Nevím jak moc ti to relé topí, takže nedokážu říct
- ScorpionSX
- Zkušený

- Příspěvky: 1846
- Registrován: 29.01.2011 18:05
- Bydliště: Trenčín, SR
Re: Automaticke svietenie-fukcia Coming Home/Leaving home
Uff, no to už je trochu nad moje schopnosti...to by som možno radšej riskol ozaj len ten molitan, nech to trochu stíchne a je to...
Je to proste teplé na dotyk, žiadne šialené teploty to nemá, ale je jasné že to nemá takúto teplotu samé o sebe. Pohladám niečo doma a vyskúšam a uvidím
Pozrel som ešte na linku k tým krúžkom na fotky ich driverov a je tam uvedených 550mA na dva krúžky...a sú teda samozrejme 4. Čiže 1-1,1A by cca mohli mať odber...ale nemeral som to, je to len z fotky
Je to proste teplé na dotyk, žiadne šialené teploty to nemá, ale je jasné že to nemá takúto teplotu samé o sebe. Pohladám niečo doma a vyskúšam a uvidím
Pozrel som ešte na linku k tým krúžkom na fotky ich driverov a je tam uvedených 550mA na dva krúžky...a sú teda samozrejme 4. Čiže 1-1,1A by cca mohli mať odber...ale nemeral som to, je to len z fotky
Ford Focus MK2 2005 1.8TDCi - GALLERY
- ScorpionSX
- Zkušený

- Příspěvky: 1846
- Registrován: 29.01.2011 18:05
- Bydliště: Trenčín, SR
Re: Automaticke svietenie-fukcia Coming Home/Leaving home
Má niekto tip na ne-postupne-stmievané svetlo ktoré by som mohol použiť ako zdroj pre coming/leaving home?
Teraz používam stropné osvetlenie vpredu, ale to sa stmieva postupne, rovnako ako aj osvetlenie nôh...a tým pádom to relátko vrčí/bzučí...
Alebo prípadne nejaký iný zdroj, ktorý by som mohol na túto funkcionalitu zneužiť?
Teraz používam stropné osvetlenie vpredu, ale to sa stmieva postupne, rovnako ako aj osvetlenie nôh...a tým pádom to relátko vrčí/bzučí...
Alebo prípadne nejaký iný zdroj, ktorý by som mohol na túto funkcionalitu zneužiť?
Ford Focus MK2 2005 1.8TDCi - GALLERY
- jenikHK
- Moderátor

- Příspěvky: 3155
- Registrován: 10.03.2008 14:30
- Bydliště: Praha
Re: Automaticke svietenie-fukcia Coming Home/Leaving home
Změnit dobu nabehnuti / sestupu, aby se stropní světlo rozsvitilo naplno hned, asi neni řešení, které hledáš?
Ford C-Max 1.8i 16V, 2010, Titanium
Byl: Ford Focus 1.8 TDdi kombi, 1999, ghia
Byl: Ford Sierra 2.0i DOHC kombi, 1989, LX
Byl: Ford Focus 1.8 TDdi kombi, 1999, ghia
Byl: Ford Sierra 2.0i DOHC kombi, 1989, LX
- ScorpionSX
- Zkušený

- Příspěvky: 1846
- Registrován: 29.01.2011 18:05
- Bydliště: Trenčín, SR
Re: Automaticke svietenie-fukcia Coming Home/Leaving home
Hmm...asi skôr nie...prípadne ešte rozmýšlam, či sa napríklad svetlo v kufri nespráva tak ako potrebujem...?
Ford Focus MK2 2005 1.8TDCi - GALLERY
- ZaQik
- Admin

- Příspěvky: 25212
- Registrován: 30.05.2010 17:33
- Bydliště: exit 82 na D0
Re: Automaticke svietenie-fukcia Coming Home/Leaving home
ne, svetlo v kufru sviti porad ... napajeni stropni lampicky u ridice se vypne (tusim) po 10 minutach
Ford Focus mk3 combi 1.6 Ti-VCT, r.v.2018 + Ford Fiesta mk7 3D 1.25, r.v.2014
byl Ford Focus mk2 combi 1.6, r.v.2009 + Ford Fiesta mk6 1.4 TDCi r.v. 2004
Nejsem poradna, encyklopedie ani hotline spolecnosti Ford - ptejte se na foru, od toho je.
byl Ford Focus mk2 combi 1.6, r.v.2009 + Ford Fiesta mk6 1.4 TDCi r.v. 2004
Nejsem poradna, encyklopedie ani hotline spolecnosti Ford - ptejte se na foru, od toho je.
- ScorpionSX
- Zkušený

- Příspěvky: 1846
- Registrován: 29.01.2011 18:05
- Bydliště: Trenčín, SR
Re: Automaticke svietenie-fukcia Coming Home/Leaving home
ZaQik, keby som chcel rozsvecovať parkovačky, mohol by som použiť nasledovné zapojenie? S tým, že nechcem prerušovať každý drát na svetlo, ale len jeden od vypínača svetiel: Prípadne dá sa to nejako zjednodušiť? Alebo chýba tam ešte niečo chýba? Chcem použiť SSR relé aby mi to necvakalo a chcel by som rozsvietiť predok aj zadok auta, nie len DRL. Rozsvecovanie skrz relé je len pre predstavu znázornené, viem že tam je viac drátov.ZaQik píše: 24.05.2017 05:16 pokud bys chtel rozsvecet predni i zadni obrysovky, tak bys musel prerusit 4 draty z GEMu (predni prava, predni leva, zadni prava a zadni leva), dat na ne diody a privest napeti pomoci rele (staci jedno) ... nevyhoda je, ze diody trocu snizuji napeti, takze obrysovky budou lehce min svitit a HLAVNE, jedna se o postupne stmivani, takze rele pri pohasinani bude hlucne cvakat (nutno ho poradne zabalit do izolace)
Ford Focus MK2 2005 1.8TDCi - GALLERY
- ZaQik
- Admin

- Příspěvky: 25212
- Registrován: 30.05.2010 17:33
- Bydliště: exit 82 na D0
Re: Automaticke svietenie-fukcia Coming Home/Leaving home
zkusime to jinak - napis, co to ma delat a jak bys to chtel zapinat/vypinat; tj. ktere svetlo ma kdy svitit a jak to chces ovladat
Ford Focus mk3 combi 1.6 Ti-VCT, r.v.2018 + Ford Fiesta mk7 3D 1.25, r.v.2014
byl Ford Focus mk2 combi 1.6, r.v.2009 + Ford Fiesta mk6 1.4 TDCi r.v. 2004
Nejsem poradna, encyklopedie ani hotline spolecnosti Ford - ptejte se na foru, od toho je.
byl Ford Focus mk2 combi 1.6, r.v.2009 + Ford Fiesta mk6 1.4 TDCi r.v. 2004
Nejsem poradna, encyklopedie ani hotline spolecnosti Ford - ptejte se na foru, od toho je.
- TomFocus
- Test driver

- Příspěvky: 8239
- Registrován: 12.05.2013 17:06
- Bydliště: Praha
Re: Automaticke svietenie-fukcia Coming Home/Leaving home
Jestli to nechce jak to plánuji já s kroukama
Výkres mám o dost obsáhlejší
Výkres mám o dost obsáhlejší
- ZaQik
- Admin

- Příspěvky: 25212
- Registrován: 30.05.2010 17:33
- Bydliště: exit 82 na D0
Re: Automaticke svietenie-fukcia Coming Home/Leaving home
kazdej dostane nakres, jaky zaslouzi ... tedy potrebuje 
Ford Focus mk3 combi 1.6 Ti-VCT, r.v.2018 + Ford Fiesta mk7 3D 1.25, r.v.2014
byl Ford Focus mk2 combi 1.6, r.v.2009 + Ford Fiesta mk6 1.4 TDCi r.v. 2004
Nejsem poradna, encyklopedie ani hotline spolecnosti Ford - ptejte se na foru, od toho je.
byl Ford Focus mk2 combi 1.6, r.v.2009 + Ford Fiesta mk6 1.4 TDCi r.v. 2004
Nejsem poradna, encyklopedie ani hotline spolecnosti Ford - ptejte se na foru, od toho je.
- ScorpionSX
- Zkušený

- Příspěvky: 1846
- Registrován: 29.01.2011 18:05
- Bydliště: Trenčín, SR
Re: Automaticke svietenie-fukcia Coming Home/Leaving home
Ok, v podstate by som chcel to isté čo si mal ty ZaQik s denným svietením, ale s parkovačkami.
Tzn. rozsvieti sa vnútorné osvetlenie (napríklad pri odomknutí auta) -> rozsvietia sa aj parkovacie svetlá (vpredu+vzadu). Zhasne sa vnútorné osvetlenie (napríklad poloha klúča II) -> zhasnú parkovačky.
Plus aby tam bola ochrana proti tomu, že keď rozsvietim parkovačky ručne (alebo cez svet. senzor), tak sa samozrejme vnútorné osvetlenie nezapne. A taktiež aby nebol problém keď svieti vnútorné osvetlenie a zároveň parkovačky sú ručne zapnuté - tj. napríklad pri naštartovanom aute so zapnutými svetlami otvorím dvere.
Tome, neviem, možno aj áno - napíš kludne do SS ak tu nechceš prezrádzať a uvidíme
Tzn. rozsvieti sa vnútorné osvetlenie (napríklad pri odomknutí auta) -> rozsvietia sa aj parkovacie svetlá (vpredu+vzadu). Zhasne sa vnútorné osvetlenie (napríklad poloha klúča II) -> zhasnú parkovačky.
Plus aby tam bola ochrana proti tomu, že keď rozsvietim parkovačky ručne (alebo cez svet. senzor), tak sa samozrejme vnútorné osvetlenie nezapne. A taktiež aby nebol problém keď svieti vnútorné osvetlenie a zároveň parkovačky sú ručne zapnuté - tj. napríklad pri naštartovanom aute so zapnutými svetlami otvorím dvere.
Tome, neviem, možno aj áno - napíš kludne do SS ak tu nechceš prezrádzať a uvidíme
Ford Focus MK2 2005 1.8TDCi - GALLERY
- TomFocus
- Test driver

- Příspěvky: 8239
- Registrován: 12.05.2013 17:06
- Bydliště: Praha
Re: Automaticke svietenie-fukcia Coming Home/Leaving home
Čekám na ty kroužky, pak to aplikují a popíši ti kdy, jak a proč se rozsvěcují + zveřejním zapojení.
Řešil jsem to se ZaQikem, vše mám nakoupený jen čekám na ty kroužky
Řešil jsem to se ZaQikem, vše mám nakoupený jen čekám na ty kroužky
- ZaQik
- Admin

- Příspěvky: 25212
- Registrován: 30.05.2010 17:33
- Bydliště: exit 82 na D0
Re: Automaticke svietenie-fukcia Coming Home/Leaving home
zkus tohle
Ford Focus mk3 combi 1.6 Ti-VCT, r.v.2018 + Ford Fiesta mk7 3D 1.25, r.v.2014
byl Ford Focus mk2 combi 1.6, r.v.2009 + Ford Fiesta mk6 1.4 TDCi r.v. 2004
Nejsem poradna, encyklopedie ani hotline spolecnosti Ford - ptejte se na foru, od toho je.
byl Ford Focus mk2 combi 1.6, r.v.2009 + Ford Fiesta mk6 1.4 TDCi r.v. 2004
Nejsem poradna, encyklopedie ani hotline spolecnosti Ford - ptejte se na foru, od toho je.
- ScorpionSX
- Zkušený

- Příspěvky: 1846
- Registrován: 29.01.2011 18:05
- Bydliště: Trenčín, SR
Re: Automaticke svietenie-fukcia Coming Home/Leaving home
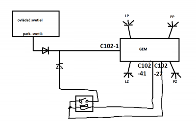
Ok, takže okrem C102-1 som asi trafil...len som nerozkresroval to relé...btw, môžem namiesto C102-27 a C102-41 použit aj C98-13 a C98-7? Tam už mám pripravenú kabeláž z predošlého zapojenia - myslím, že je to asi jedno, či?
A ešte dotaz, v rámci toho zapojenia by som chcel použiť SSR relé ako som písal, aby mi to necvakalo pri stmievaní. Našiel som takéto typy, ktoré môžem použiť?
1 - https://www.aliexpress.com/item/3286580 ... 2e0eKeDGMT
2 - https://www.aliexpress.com/item/4000334 ... 2e0eKeDGMT
A ešte dotaz, v rámci toho zapojenia by som chcel použiť SSR relé ako som písal, aby mi to necvakalo pri stmievaní. Našiel som takéto typy, ktoré môžem použiť?
1 - https://www.aliexpress.com/item/3286580 ... 2e0eKeDGMT
2 - https://www.aliexpress.com/item/4000334 ... 2e0eKeDGMT
Ford Focus MK2 2005 1.8TDCi - GALLERY
- ZaQik
- Admin

- Příspěvky: 25212
- Registrován: 30.05.2010 17:33
- Bydliště: exit 82 na D0
Re: Automaticke svietenie-fukcia Coming Home/Leaving home
... takhle bys mel vse na C102 ... ale muzes pouzit i C98 (neprohod plus a spinane minus
)
se SSR neporadim
se SSR neporadim
Ford Focus mk3 combi 1.6 Ti-VCT, r.v.2018 + Ford Fiesta mk7 3D 1.25, r.v.2014
byl Ford Focus mk2 combi 1.6, r.v.2009 + Ford Fiesta mk6 1.4 TDCi r.v. 2004
Nejsem poradna, encyklopedie ani hotline spolecnosti Ford - ptejte se na foru, od toho je.
byl Ford Focus mk2 combi 1.6, r.v.2009 + Ford Fiesta mk6 1.4 TDCi r.v. 2004
Nejsem poradna, encyklopedie ani hotline spolecnosti Ford - ptejte se na foru, od toho je.
Kdo je online
Uživatelé prohlížející si toto fórum: Žádní registrovaní uživatelé a 0 hostů

