Tlacitko otevirani dveri
-
zivnic
- Nováček

- Příspěvky: 189
- Registrován: 22.07.2019 08:40
Tlacitko otevirani dveri
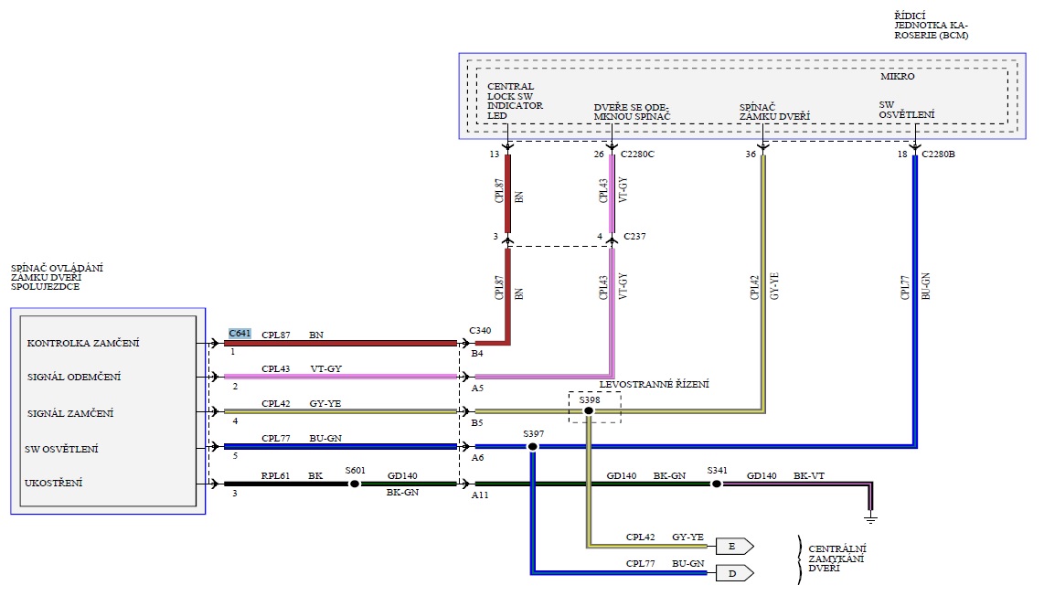
Nemate prosim nekdo schema, nebo jak je napojene, tlacitko otevirani dveri v MK3 po FL? Ve schematech jsem nasel jen schema pro pred facelift, nebo jsem spatne koukal. Dekuji.
- djdekl
- Test driver

- Příspěvky: 4048
- Registrován: 02.02.2008 03:18
- Bydliště: Praha 9
- Kontaktovat uživatele:
-
zivnic
- Nováček

- Příspěvky: 189
- Registrován: 22.07.2019 08:40
Re: Tlacitko otevirani dveri
No já už mu to posílal ještě než si to našel, ale on neumí rusky

- ZaQik
- Admin

- Příspěvky: 25057
- Registrován: 30.05.2010 17:33
- Bydliště: exit 82 na D0
Re: Tlacitko otevirani dveri
a ze byste to sem nekdo dal? 
Ford Focus mk3 combi 1.6 Ti-VCT, r.v.2018 + Ford Fiesta mk7 3D 1.25, r.v.2014
byl Ford Focus mk2 combi 1.6, r.v.2009 + Ford Fiesta mk6 1.4 TDCi r.v. 2004
Nejsem poradna, encyklopedie ani hotline spolecnosti Ford - ptejte se na foru, od toho je.
byl Ford Focus mk2 combi 1.6, r.v.2009 + Ford Fiesta mk6 1.4 TDCi r.v. 2004
Nejsem poradna, encyklopedie ani hotline spolecnosti Ford - ptejte se na foru, od toho je.
Kdo je online
Uživatelé prohlížející si toto fórum: Žádní registrovaní uživatelé a 0 hostů

